Ключи ТМ

Re: Ключи ТМ

Сообщение Andrey Tatarinov » 14 июн 2011, 15:08

Нормальных программ не нашел в интернете, все кривовато работают и обязательно с пакетом JAVA. Через два дня нашу программу выложим, её уже написали (в Конфигуратор встроили), сейчас оформим отдельно - без Конфигуратора пока и выложим. Схемку тоже.
Технический директор ООО "Стелс"
Татаринов Андрей
Аватара пользователя
Andrey Tatarinov
 
Сообщения: 425
Зарегистрирован: 24 окт 2008, 08:26

Re: Ключи ТМ

Сообщение Andrey Tatarinov » 16 июн 2011, 16:08

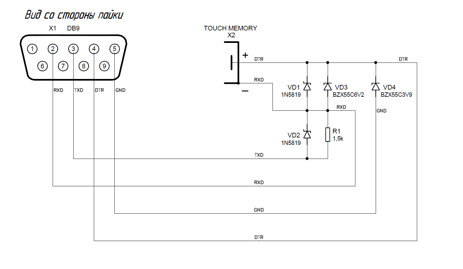
.GIF

Схема считывателя, с которым работает наша программа.
Технический директор ООО "Стелс"
Татаринов Андрей
Аватара пользователя
Andrey Tatarinov
 
Сообщения: 425
Зарегистрирован: 24 окт 2008, 08:26

Re: Ключи ТМ

Сообщение Andrey Tatarinov » 16 июн 2011, 16:10

Программа для работы с вышеуказанной схемой считывателя. В программе отображаются ключи в формате готовом для копирования в Конфигуратор.

TMLib.zip
(423.17 КБ) Скачиваний: 579
Технический директор ООО "Стелс"
Татаринов Андрей
Аватара пользователя
Andrey Tatarinov
 
Сообщения: 425
Зарегистрирован: 24 окт 2008, 08:26

Re: Ключи ТМ

Сообщение Maximum » 16 июн 2011, 16:33

Андрей Татаринов писал(а):
TMLib.zip


Программа для работы с вышеуказанной схемой считывателя. В программе отображаются ключи в формате готовом для копирования в Конфигуратор.

Огромное спасибо!
ИСМ "STEMAX" v. 6.5, PostgreSQL-9.6.23-2, Windows server 2022
ИСМ "STEMAX" v. 6.7.0.0, PostgreSQL-9.6.23-2, Win10pro x64
ИСМ "STEMAX" v. 6.4.2, PostgreSQL-9.3.19-1, Win8.1pro x64
Аватара пользователя
Maximum
 
Сообщения: 1599
Зарегистрирован: 10 ноя 2008, 17:57
Откуда: Краснодар

Re: Ключи ТМ

Сообщение Andrey Tatarinov » 17 июн 2011, 10:21

Maximum писал(а):
Андрей Татаринов писал(а):
TMLib.zip


Программа для работы с вышеуказанной схемой считывателя. В программе отображаются ключи в формате готовом для копирования в Конфигуратор.

Огромное спасибо!


Пока не за что, главное, чтобы заработало. На пяти компьютерах проверили (Windows7), на 4-х заработало нормально, а на одном так и не запустили, не опознается устройство. Попробуете, сообщите. Этот модуль включить в состав Конфигуратора планируем.

Схему срисовали с готового устройства RDS-01, купленного в http://www.aladdin-rd.ru/catalog/ibutton/readers/

У них есть считыватели и для USB, но с ними не проверяли нашу программу.
Технический директор ООО "Стелс"
Татаринов Андрей
Аватара пользователя
Andrey Tatarinov
 
Сообщения: 425
Зарегистрирован: 24 окт 2008, 08:26

Re: Ключи ТМ

Сообщение Сергей153 » 20 июн 2011, 14:05

Кому интересна схема с USB вот ссылка http://www.recursion.jp/avrcdc/cdc-232.html
Сам такую спаял на Atmega8 (отпаянной с СКП-08-01).
Вторую половину схеммы собрал на другом контроллере, тоже Atmel. Включил на нём USART, и написал код считывания ТМ (в интернете много инфы о данном протоколе).
Таким образом получилась связка из двух контроллеров и считывателя, запихал контроллеры в корпус из под БП для ноутбука, сверху прикрутил считыватель. Получилось довольно компактно.
Сергей153
 

Re: Ключи ТМ

Сообщение Anvir » 13 июл 2011, 13:13

Купили USB программатор для "Гранитов" 16/24
В комплекте считыватель ТМ с СОМ порта- с программой TMLib.exe работает.
Мы мирные люди, но наш бронепоезд стоит на запасном пути.
Аватара пользователя
Anvir
 
Сообщения: 293
Зарегистрирован: 05 май 2010, 11:26
Откуда: г. Рязань

Re: Ключи ТМ

Сообщение Maximum » 26 июл 2011, 22:12

Что за ключи ТМ стали комплектовать в Миражи? Пока 5-10 раз не приложишь не ставят/снимают...
Другие нормально, уже штук 15 таких ключей.
ИСМ "STEMAX" v. 6.5, PostgreSQL-9.6.23-2, Windows server 2022
ИСМ "STEMAX" v. 6.7.0.0, PostgreSQL-9.6.23-2, Win10pro x64
ИСМ "STEMAX" v. 6.4.2, PostgreSQL-9.3.19-1, Win8.1pro x64
Аватара пользователя
Maximum
 
Сообщения: 1599
Зарегистрирован: 10 ноя 2008, 17:57
Откуда: Краснодар

Re: Ключи ТМ

Сообщение Andrey Tatarinov » 27 июл 2011, 09:29

Maximum писал(а):Что за ключи ТМ стали комплектовать в Миражи? Пока 5-10 раз не приложишь не ставят/снимают...
Другие нормально, уже штук 15 таких ключей.


Если есть возможность, сделайте фотографию этих ключей, чтобы надписи читались. Посмотрим чем они отличаются.
Мы год комплектуемся у одного поставщика и жалоб за этот период не было.
Технический директор ООО "Стелс"
Татаринов Андрей
Аватара пользователя
Andrey Tatarinov
 
Сообщения: 425
Зарегистрирован: 24 окт 2008, 08:26

Re: Ключи ТМ

Сообщение Maximum » 27 июл 2011, 10:46

Андрей Татаринов писал(а):
Maximum писал(а):Что за ключи ТМ стали комплектовать в Миражи? Пока 5-10 раз не приложишь не ставят/снимают...
Другие нормально, уже штук 15 таких ключей.


Если есть возможность, сделайте фотографию этих ключей, чтобы надписи читались. Посмотрим чем они отличаются.
Мы год комплектуемся у одного поставщика и жалоб за этот период не было.

Фото плохо получается, отсвечивает сильно от металла.
Ключ SMC

smart-button
SMC
smc-1990a1-f5

Это уже не на 1 объекте. Приезжает техник его ключ проходит, другие ключи (с логотипом похожим на 3 купола с флагами) работают.
А эти, либо надо прикладывать несколько раз подряд, либо сразу "дохнут".
Поначалу думали, что считыватели такие, подключали напрямую проводами... Но это ключи 100%
ИСМ "STEMAX" v. 6.5, PostgreSQL-9.6.23-2, Windows server 2022
ИСМ "STEMAX" v. 6.7.0.0, PostgreSQL-9.6.23-2, Win10pro x64
ИСМ "STEMAX" v. 6.4.2, PostgreSQL-9.3.19-1, Win8.1pro x64
Аватара пользователя
Maximum
 
Сообщения: 1599
Зарегистрирован: 10 ноя 2008, 17:57
Откуда: Краснодар

Пред.След.

Вернуться в Архив

Кто сейчас на конференции

Сейчас этот форум просматривают: Google [Bot] и гости: 1